Механические топки

Механические топки котла


Механические топки. Трудность снабжения небольших потребителей сортированным топливом определенных видов и месторождений, недостаточная квалификация обслуживающего персонала и большая доля ручного труда при обслуживании требуют полной механизации топочных устройств небольших котлоагрегатов. Трудоемкими и тяжелыми операциями является загрузка топлива на колосниковую решетку, удаление с нее шлака, шуровка слоя. Если в топочном процессе эти операции механизированы, то топка может считаться механической, во всех других случаях она является полумеханической.

Исходя из указанных положений в серийно выпускаемых топочных устройствах к котлоагрегатам малой производительности предусмотрены механизация процессов подачи топлива на решетку и удаление с нее шлака.

Устройство механических топок

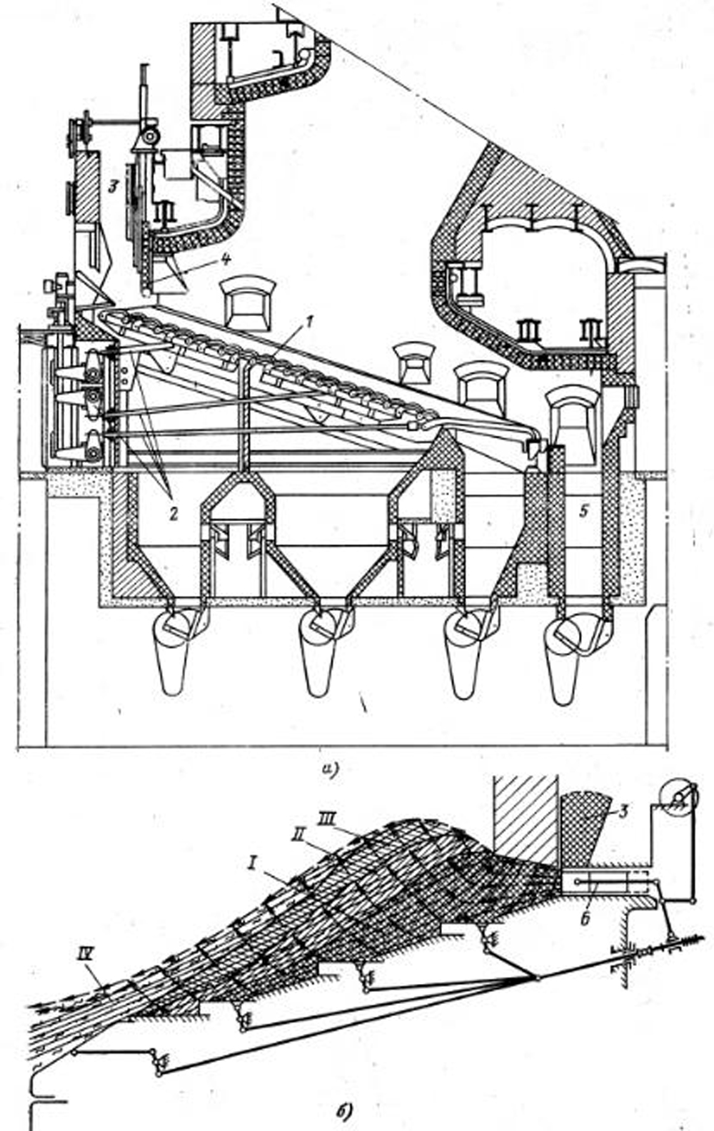
На рис. 3-6 показаны механические топки с забрасывателем топлива на горящий слой, оборудованная качающимися колосниками, дан разрез топочного устройства с пневмомеханическим забрасывателем топлива 3, колосниковой решеткой 1, приводом к колосникам, бункером для топлива 4, дверцами топочной камеры, коробом для подачи воздуха в бункер, предназначенный для сбора провала и шлака, шлаковым затвором.

Механическая топка ПМЗ

Рис. 3-6. Разрез и общий вид фронта механичсекой топки с ПМЗ и решеткой из поворотных колосников. 1 - поворотные колосники; 2 - свод над топочной дверцей; 3 - забрасыватель топлива ПМЗ; 4 - угольный ящик-бункер; 5 - привод ПМЗ.

Общий вид пневмомеханического забрасывателя ПМЗ показан на рис. 3-7. Топливо, поступающее в бункер с наклонными перегородками для предупреждения зависания, каскадно-лотковый угольный ящик Л, перемещается к плунжерному питателю 6, имеющему высоту 50 мм и максимальную длину хода плунжера 42 мм.

Движение плунжеру передается через редуктор 7 и кулисный механизм с эксцентриком, при помощи которых можно изменять длину хода плунжера в 2,2 раза. Кулиса соединяется с приводным валом плунжера собачкой и рычагом, которые позволяют отключить питатель, не останавливая вращения ротора 7, и проводить тонкую регулировку производительности питателя.

Шатун кулисы связан с эксцентриком, сидящим на промежуточном валу, вращаемом через две пары зубчатых колес от вала ротора 1. Плунжер сталкивает топливо на разгонную плиту 5. Передвигая плиту с помощью маховика, можно изменять дальность заброса топлива на решетку. Высота плиты 150 мм, угол наклона к горизонту 45°.

С разгонной плиты топливо попадает в цилиндрический лоток 2. Ротор с лопастями 1 в лотке вращается с частотой от 600 до 1100 оборотов в минуту. Топливо забрасывается в топочную камеру сверху на слой двумя рядами сплошных лопастей волнообразного профиля; в зависимости от ширины забрасывателя в каждом ряду ставят по две или три лопасти. Ротор имеет диаметр (по краям лопастей) 216 мм, лоток - 232 мм. Топливо забрасывается веером с углом раскрытия в 40°. Со стороны топки к лотку примыкает чугунная фурма из колосников Д под которые подается воздух с давлением в 500 - 800 Па (50 - 80 ты вод. ст.).

Пневномеханический забрасыватель

Рис. 3-7. Пневмомеханический забрасыватель ПМЗ-ЦКТИ.

Лоток, в котором вращается ротор, имеет в средней части откидную плиту для осмотра и удаления застрявших предметов и кусков, топлива. С боков забрасывателя установлены два сопла 4 сечением 40X40 мм, оси которых пересекаются внутри топки и составляют с осью забрасывателя угол 20,5°. Фурма и сопла служат для подачи воздуха под летящие куски топлива для подхвата мелких частиц и сжигания их в объеме топочной камеры.

Толщина слоя

Фракционный состав топлива

Рис. 3-8. Толщина слоя и фракционный состав топлива по длине решетки РПК при подаче рядового угля ПМЗ.

Вал ротора соединен шарнирной муфтой и клиновой ременной передачей с асинхронным, электродвигателем мощностью в 1,1 кВт.

Забрасыватель может обеспечить в зависимости от его ширины в 350, 400 и 600 мм производительность котлоагрегата в 2; 2,2 и 3,3 кг/ч (7, 8, и 12 т/ч) соответственно.

Иногда забрасыватели выполняют со скребковым или пластинчатым питателем вместо плунжерного. Колосниковая решетка с ПМЗ выполняется обычно из поворотных колосников с ручным приводом - РПК.

Колосниковая решетка

Колосники в виде пластин размером 300X189 мм имеют ширину 14, 28 и 42 мм; свободно насаживаются на вал с прямоугольным сечением 40X60 мм, перекрывая скосами соседний ряд колосников. Живое сечение решетки составляет около 5%, а сама решетка исключает провал топлива. Расстояние между осями валов 305 мм, ширина каждой секции может составлять от 900 до 1300 мм, длина решетки - от 1525 до 3660 мм, включая переднюю плиту длиной 495 мм. Ручной привод позволяет поворачивать колосники на 60°. При повороте колосников происходят частичная шуровка слоя топлива и удаление части нижнего слоя шлака. Толщина слоя и фракционное распределение слоя рядового угля по длине неподвижной решетки при пневмомеханическом забрасывателе по опытам Е. В. Нечаева показаны на рис. 3-8.

На рисунке видны уменьшение толщины слоя на расстоянии около 1,5 м от фронтовой стены и сосредоточение более мелких кусков топлива у фронта топки, а более крупных - у задней стены. Несмотря на такое распределение топлива, диапазон изменения α, 02 и R02 меньше, чем у решетки с ручным забросом топлива, что видно из рис. 3-9 и сопоставления его с рис. 3-2 и 3-3. Имеющие место в топке ПМЗ-РПК колебания состава газов объясняются тем, что при ручном регулировании процесса горения подача топлива изменяется, а поступление воздуха остается постоянным.

Механическая топка с неподвижной колосниковой решеткой и шурующей планкой

Процесс сжигания твердого топлива на неподвижной колосниковой решетке можно механизировать применением так называемой шурующей планки, которая перемещает топливо по колосниковой решетке, производит его шуровку и сталкивает шлак в специальный бункер. Общий вид такого устройства показан на рис. 3-10.

Топка с колосниковой решеткой и шурующей планкой

Рис. 3-10. Механическая топка с неподвижной колосниковой решеткой и шурующей планкой для каменных углей и их отходов. 1 - каретка; 2 - штанга; 3 - планка; 4 - электродвигатель с редуктором; 5 - водогрейный котел; 6 - лаз в топку; 7 - колосниковая решетка; 8 - бункер для топлива; 9 - бункер для шлака.

Принцип работы шурующей планки

Шурующая планка 3 приводится в движение специальным устройством, состоящим из рамы - каретки 1 со штангами 2, к которым она прикреплена, и механизма, соединенного с цепью и вращаемого с помощью электродвигателя 4. В крайних положениях рамы установлены концевые выключатели. Штанги могут быть выполнены в виде цепей, труб, швеллеров. Топливо из бункера S, расположенного на фронте топки с шурующей планкой 3 (форма которой показана на рис. 3-11,а), захватывается и подается под горящий слой на решетку; при поступательном и возвратном движении шурующей планки куски топлива перемещаются и перемешиваются по длине решетки (рис. 3-11,б).

Схема работы шурующей планки

Рис. 3-11. Профили (а) и схема работы шурующей планки (б).

Планка осуществляет в течение цикла перемещение топлива, его шуровку и удаление шлака. Планка движется 80 - 85% времени за цикл, совершая его за 8 - 20 мин. Время цикла связано с видом топлива, длиной решетки и тепловой нагрузкой топки. Топливо и его шлак не должны спекаться, и поэтому планку обязательно охлаждают водой. Механические топки с шурующей планкой пока по ряду причин не нашли широкого применения в котельных установках.

Механизм для подачи и перемещения слоя топлива, а также удаления шлака может быть отделенным от колосников и совмещенным с ними, как это показано на рис. 3-12.

Такие топочные устройства называют топками с наклонно переталкивающими решетками или каскадными в зависимости от их конструктивного исполнения.

В некоторых конструкциях топливо подается на колосниковую решетку под слой горящего на ней топлива с помощью шнеков, поршней и других механизмов (рис. 3-12,6 и в).

Механическая топка для сжигания отходов и сланцев

Наибольший интерес представляет механическая топка Ломшакова - Крууль (ЛК), предназначенная для сжигания городских отходов и сланцев.

Общий вид колосниковой решетки приведен на рис. 3-13.

Решетка состоит из трех подвижных рам - тележек с раздельными приводами 2. Рамы могут перемещаться друг относительно друга с числом ходов 2 или 4 в минуту на относительную длину в 0, 60, 110,145, 160 мм. Топливо из бункера 4 подается в предтопочную шахту 5, из которой поступает на направляющую плиту 10 и колосники 1, затем с помощью переталкивающих колосников (рис. 3-13,6) шуруется и передвигается вниз к последнему ряду колосников, где лежит шлак. Колосники решетки имеют ячейки глубиной 50 мм (рис. 3-13,в), заполненные гранитным гравием с размерами кусков 8 - 12 мм, что необходимо для уменьшения провала топлива. С колосников шлак удаляется в бункер 9. Угол наклона решетки к горизонтали 10,5°, длина колосника ≈730 мм, ширина - 200 мм; сопротивление решетки с ячейками, засыпанными гравием, составляет 100 -120 Па (10 - 12 мм вод. ст.).

В решетках такого типа ширина зеркала горения от 1100 до 6500 мм и длина от 3300 до 8800 мм, т. е. для производительности агрегатов от 0,8 до 23 МВт (от 0,7 до 20 Гкал/ч).

Механическая топка Ломшакова-Крууль

В настоящее время топки ЛК не выпускаются.

Топки с цепными подвижными колосниковыми решетками

Механизацией процесса сжигания топлива в слое является применение цепных подвижных колосниковых решеток.

Общий вид цепной колосниковой решетки показан на рис. 3-14.

Решетка состоит из рамы, на которой установлены подшипники двух валов - ведущего 1 и ведомого 7. На ведущем валу закреплены шестерни-звездочки, входящие в зацепление с ведомыми элементами полотна колосниковой решетки, на ведомом валу - гладкие шкивы.

Полотно колосниковой решетки может быть выполнено из стальных пластинчатых цепей (чешуйчатое полотно), к которым прикреплены держатели колосников с помощью «пальцев» со шплинтами. В отверстия держателей заводят пальцы - приливы колосников. Цепи соединены между собой стяжными стержнями с надетыми на них дистанцирующими трубками и роликами.

Вся эта конструкция опирается на раму 2 из балок (рельс), по которым катятся ролики. Попадая на шкив ведомого вала, колосники поворачиваются, в результате чего остатки топлива или шлака выпадают, очищая колосниковое полотно. Далее полотно решетки перемещается к фронту топки. Для разгрузки основной рамы под полотном установлены нижние направляющие балки в виде дополнительной рамы 6.

Слоевые механические топки с наклонно переталкивающими колосниками

Рис. 3-12. Слоевые механические топки с наклонно переталкивающими топливо колосниками и с нижней подачей топлива. а: 1 - колосники; 2 - механизмы для перемещения колосников; 3 - бункер для топлива; 4 - шибер, регулирующий толщину слоя топлива; 5 - бункер для шлака; 6 - поршень или плунжер; 7 - дробилка для шлака; б и в: I - поступившее сырое топливо; II - слой с выходящими летучими; ll lll - горящие летучие и кокс; IV - зона догорания топлива и шлака.

Механическая топка с наклонно переталкивающими колосниками

Рис. 3-13. Механическая топка с наклонно переталкивающими колосниками Ломшакова - Крууль (ЛК). а - общий вид топки; б - колосники среднего ряда; в - ячейка колосника с заполнением гравием из гранита; 1 - колосники решетки; 2 - привод тележек; 3 - управление тележками; 4 - предтопочный бункер; 5 - предтопочная шахта; 6 - зоны подачи воздуха; 7 - вторичное острое дутье; 8 - шиберы для спуска провала; 9 - бункер для шлака; 10 - направляющая плита.

Рис. 3-14

Рис. 3-14. Топка с беспровальной цепной решеткой. а - продольный разрез; б - вид на фронт.

Масса 1 м2 полотна решетки составляет 300 - 400 кг и общая масса 1 м2 активной площади решетки - 1,5 - 2,7 т.

Из бункера 3, расположенного на фронте топки, топливо попадает на колосники решетки 5. Толщина слоя топлива регулируется с помощью секторного затвора 10 и шибера 11. Скорость движения колосниковой решетки может быть изменена приводом 9 с редуктором 12, сидящим на ведущем валу решетки.

В топочном пространстве осуществляется верхнее зажигание топлива под действием излучения сводов, факела и частично соприкосновения с горящим слоем. По мере движения решетки и лежащего на ней неподвижно топлива происходят подсушка топлива, выделение летучих, выгорание образовавшегося кокса и выжигание шлака. Распределение потока воздуха в соответствии с фазами горения топлива под колосниковой решеткой осуществляет короб 4, разделенный на зоны.

Топка с чашуйчатой цепной решеткой

Рис. 3-15 Топка с чешуйчатой цепной решеткой обратного хода (продольный разрез и вид на фронт). 1 - ведущий передний вал; 2 - рама решетки; 3 - угольный ящик; 4 - колосниковое полотно; 5- задний вал; 6 - задние неподвижные колосники; 7 - опорные катки; 9 - привод цепной решетки и редуктор; 11 - привод ПМЗ - двигатель, передача и редуктор; 12 - кожух фронта; 14 - шахта для шлака; 15 - ПМЗ; 16 - дополнительная рама (остальные обозначения в тексте к рис. 3-14).

Общий вид механической топки с цепной решеткой

Рис. 3-16. Общий вид механической топки, оборудованной цепной решеткой с ленточным полотном - ЛЦЗ и ПМЗ.

Продольный разрез топки с цепной колосниковой решеткой

Рис. 3-17. Продольный разрез топки с цепной колосниковой решеткой и предтопком Макарьева для сжигания торфа.

Шлак удаляется с колосниковой решетки при помощи шлакоснимателя 8 и сбрасывается в бункер для сбора шлака. Подобного типа цепные решетки называются беспровальными цепными решетками (БЦР) с соответствующим номером, а иногда с шифром (М), обозначающим модернизацию.В последние годы заводы выпускают цепную решетку с чешуйчатым (ЧЦР) или ленточным (ЛЦР) полотном прямого и чаще обратного хода с пневматическим забросом топлива (ПМЗ). Общий вид компоновки механической топки с ЧЦР обратного хода показан на рис. 3-15. В отличие от топки с ЧЦР прямого хода в ней отсутствует регулятор толщины слоя на решетке и бункер для шлака перенесен на фронт топки. Скорость движения решетки может изменяться в пределах от 2,3 до 16,6 м/ч, живое сечение полотна решетки равно 5%, мощность электродвигателя от 4 до 12 кВт.

Решетка с ленточным полотном ЛЦР отличается от механической топки с чешуйчатым ЧЦР тем, что полотно набирается из пяти типов колосников, часть которых является ведущими. Они представляют собой звено цепи, приводимой в движение звездочкой. Общий вид конструкции механической топки с ЛЦР обратного хода с пневмомеханическим забрасывателем приведен на рис. 3-16. Вид с фронта обеих механических топок одинаков, масса 1 м2 колосникового полотна решетки ЛЦР составляет около 430 кг; скорость движения от 2,04 до 13,9 м/ч, живое сечение - 5%, мощность электродвигателей решеток от 1,4 до 4,0 кВт и пневмомеханического забрасывателя - 1,1 кВт.

Для сжигания кускового торфа на цепных решетках применяются механические топки с предварительной подготовкой (подсушкой) топлива в предтопках системы Макарьева (рис. 3-17). Подготовка топлива осуществляется на специальных ступенях 1 за счет создания и поддержания очагов горения. Ступени состоят из охлаждаемых балок, обмурованных или защищенных огнеупорной массой. В предтопок для поддержания горения вводится до 15% воздуха, нагретого до температуры 250°С.

Предтопок Макарьева позволяет экономично сжигать кусковой торф с добавкой к нему до 30% по массе фрезерного торфа при влажности топлива до 50%. Цепные решетки с предтопками применяют для сжигания торфа под котлами производительностью до 2,8 кг/с (50 т/ч) или до 35 МВт (30 Гкал/ч) с использованием серийно выпускаемых решеток.

Конструктивное оформление предтопка выполняется либо заводом - изготовителем котельного агрегата, либо проектной организацией, разрабатывающей котельную.

Механические топки с псевдоожиженным слоем топлива

Рис. 3-18. Механические топки с псевдоожиженным (кипящим) слоем топлива в энерготехнологической установке.

Более высокой интенсификации процесса сжигания топлива в слое можно достигнуть, сжигая топливо в полувзвешенном состоянии - в механических топках с псевдоожиженным кипящим слоем. В этих топках для поддержания скорости витания топлива требуется точное соответствие скорости воздуха и газов и размеров частиц топлива. Сложность процесса и трудность обеспечения топок с кипящим слоем топливом с определенным размером частиц привели к тому, что их применяют пока в технологическйх установках (рис. 3-18). Заводская конструкция топочного устройства и котлоагрегата показана на рис. 3-19.

Механическая топка с псевдоожиженным слоем топлива

Рис. 3-19. Механические топки с псевдоожиженным (кипятим) слоем топлива и ее компоновка с установкой по рис. 3-18.

Кроме приведенных, имеются многочисленные конструкции механических топок для котлов малой производительности, однако они или проходят проверку, или еще не совершенны.

Для классификации и анализа Е. В. Нечаев и А. Ф. Лубнин (ЦКТИ) предлагают по принципу движения потоков топлива и воздуха различать следующие схемы слоевого процесса:

  • с встречными потоками топлива и воздуха; с поперечными потоками топлива и воздуха;
  • с параллельными потоками топлива и воздуха;
  • с обращенным слоем (потоки топлива и воздуха на решетке, охлаждаемой водой, направлены вниз;
  • с решеткой соприкасается раскаленный слой топлива;
  • смешанные схемы.
Оглавление
Отправляя форму, вы соглашаетесь на обработку персональных данных

Статьи

Статьи
Котлы
Циклоны
Парогенераторы
Котельные
Топки
Пуско-наладка

Документы завода

Сертификаты
Патенты на котельное оборудование
Членство в СРО
Аттестованная технология сварки
Товарные знаки
Все документы завода
Сертификат на водогрейные котлы на твердом и жидком топливе
Сертификат на водогрейные котлы на твердом топливе
Сертификат на водогрейные котлы на газе и жидком топливе
Сертификат на водогрейные котлы на газе и жидком топливе
Сертификат на котлы отопительные паровые КП
Сертификат на котлы отопительные паровые КП
Сертификат на топки
Сертификат на топки
Сертификат на щиты управления
Сертификат на щиты управления
Сертификат на скиповые подъемники
Сертификат на скиповые подъемники
Сертификат на золоуловители (циклоны)
Сертификат на золоуловители (циклоны)
Сертификат на конвейеры скребковые
Сертификат на конвейеры скребковые
Сертификат на дробилки
Сертификат на дробилки
Сертификат на клапаны предохранительные
Сертификат на клапаны предохранительные
Сертификат на бункер-накопитель механизированный
Сертификат на бункер-накопитель механизированный
Сертификат на автоматику газовых горелок
Сертификат на автоматику газовых горелок
Патент на отопительный котел
Патент на отопительный котел
Патент на водогрейный котел
Патент на водогрейный котел
Патент на топку водогрейного котла
Патент на топку водогрейного котла
Патент на водогрейный газовый котел
Патент на водогрейный газовый котел
Патент на водогрейный котел
Патент на водогрейный котел
Патент на топочное устройство твердотопливного котла
Патент на топочное устройство твердотопливного котла
Членство в СРО
Членство в СРО
Членство в СРО
Членство в СРО
Аттестованная технология сварки
Аттестованная технология сварки
Свидетельство аттестованной технологии сварки
Свидетельство о готовности организации-заявителя к применению аттестованной технологии сварки
HEATEXPERT товарный знак
Товарный знак HEATEXPERT
KVZR товарный знак
Товарный знак KVZR
STEAMEXPERT товарный знак
Товарный знак STEAMEXPERT

Собственное производство

Котельный завод производит
  • Паровые котлы от 300 кг до 2.5 тонны пара в час
  • Промышленные водогрейные котлы от 150 КВт до 4 МВт на всех видах топлива
  • Механические топки ТШПМ, шурующая планка и ТЛПХ, ленточное полотно прямого хода
  • Циклоны для очистки воздуха и дымовых газов для производств и промышленных отраслей
  • Транспортеры и системы топливоподачи и шлакоудаления
Подробнее о производстве
Собственное производство
Смотреть видео
с производства

Мы на
Rutube
Youtube

Логотип Rutube
Логотип Rutube
Логотип Rutube
Логотип Youtube
Паровой котел с подовой топкой для влажных дров
Логотип Youtube
Автоматический котел на опилках большой мощности
Логотип Youtube
Котел уголь дрова